Table des matières
Kit soudure Micro-LEDS
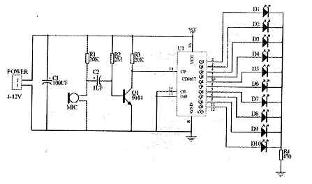
Schema du Kit Micro-leds
Montage du Kit Micro-LEDS
Autre montage avec un CD4017 ,un arduino et des LEDS
Ce montage utilise un 74HC4017 commandé par un Attiny ( petit arduino) , un Arduino Uno aurait fait l'affaire, 10 leds et 10 resistances 220 Ohms et une pile bouton CR2032 3V
le code tres simple , c'est pour cette raison qu'un petit Attiny peut suffire
- mecro-leds.ino
// C++ code // void setup() { pinMode(4, OUTPUT); } void loop() { digitalWrite(0, HIGH); delay(50); // Wait for 50 millisecond(s) digitalWrite(0, LOW); delay(50); // Wait for 50 millisecond(s) }
Voir le fonctionnement
le schema du 74HC4017
Explications Broches
Compteur de décades 4017 pour compter les transitions
Broches 1 à 7 ⇒ sorties Q5,Q1,Q0,Q2,Q6,Q7,Q3
Broches 8 ⇒ reliée au moins (-) GND
Broches 9 à 11 ⇒ sorties Q8,Q4,Q9
Broches 12 ⇒ sortie report pour brancher un autre 74HC4017 en serie
Broche 13 ⇒ entree qui active ou desactive l'Horloge (-) = Active ; (+) = Desactive
Broche 14 ⇒ entree horloge , dans notre exemple nous avons une tension de 3v toutes les 50 ms qui fait avancer le compteur, qui met les 10 sorties au (+) successivement de Q0 à Q9 suivant la fréquence de l'entree horloge.
Broche 15 ⇒ qui reset le 74HC4017; on peut la relier au (-); un (+) fait un reset
Broche 16 ⇒ reliée au (+) VCC , ici au 3V
Attiny
Autres Methodes pour faire clignoter les leds
En raccordment un bouton poussoir à l'entrée 14 du CD4017 , on fait clignoter une LED à chaque appui ....
Avec un arduino en raccordant une broche de sortie ( exemple 8) sur l'entree Horloge du cd4017
Avec visualisation à l'aide d'un oscilloscope des commandes horloges vers le cd4017
Le code avec mBlock 5
Le code avec mBlock 3
le code en mode arduino
- micro-leds.ino
// C++ code // void setup() { pinMode(8, OUTPUT); } void loop() { digitalWrite(8, HIGH); delay(50); // Wait for 50 millisecond(s) digitalWrite(8, LOW); delay(50); // Wait for 50 millisecond(s) }









